|
帶燈金屬風向標
產品型號:TD-LFB
產品編號:TC-014691
|
帶燈金屬風向標型號:TD-LFB
一、產品簡介
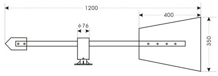
TD-LFB帶燈金屬風向標安放在室外,用于指示風向。金屬結構,完全實現了規范化、**業化、標準化生產,外表面經熱浸鍍鋅和噴塑防腐處理,使用壽命長。風向標前翼和尾翼表面噴涂具有夜光和反光功能的高科技材料,白天自動吸收儲存可見光源,夜間發光;反光功能反射直射光,當光源直接照射風向標時,能夠發出醒目的反光。立桿上對稱安放兩只照明燈,用于夜間風向標照明。
二、應用領域
TD-LFB帶燈金屬風向標可廣泛應用于氣象、化工、礦區、農業、油田勘探等行業。

產品裝箱清單
(1)金屬風向標 (紅色)
(2)支架桿機械加工CAD圖
(3)產品說明書
(4)保修單
(5)合格證